| Electrical specifications (initial value) | CPA-TE-9100 Series | 
| Products | CPA-TE-910*-B* | 
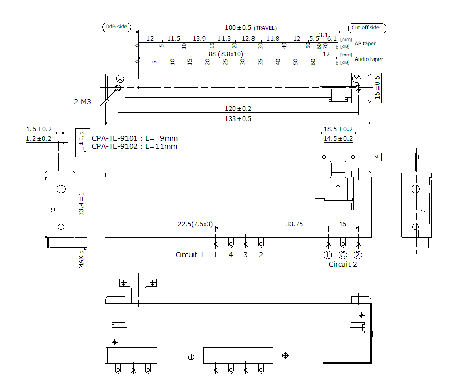
| Number of circuits Type of output law | 1 Law: Linear taper | 
| Circuit method (Output law1) | Potentiometer circuit | 
| Total resistance (1-C), (1-3) | 10kohm, 5kohm | 
| Total resistance tolerance | ±20% | 
| Absolute linearity (Linear taper) | ±5% (The travel is divided into 10 sections and 11 positions are measured.) | 
| Residual voltage (1-2), (2-3) | 10mV or less | 
| Residual resistance (1-2), (2-3) | 30ohm or less (Reference values) | 
| Touch sense track contact resistance | 20ohm or less (Between terminal 4 and Control-bar.) | 
| Voltage proof | 1 Min. at AC500V | 
| Insulation resistance | 50Mohm or more at DC500V | 
| Max rating | 0.2W | 
| Maximum input voltage | DC30V or less | 
| Sliding noise level | 47mV or less (by JIS C 6443) | 
| Sliding life | 100,000 Cycles Min. (18cycles/min, Sliding noise level: Less than 100mV) | 
| Mechanical specifications (initial value) | CPA-TE-9100 Series | 
| Travel (Stroke) length | 100mm ±0.5mm | 
| Operating force | 0.03 to 0.2N | 
| Strength Nut-Attached | 100Ncm | 
| Attached parts | M3 screw / 4-40UNC screw (Length: Panel thickness + 3mm) | 
| Stopper strength | 40N | 
| Push-pull strength | 40N | 
| Alignment to the center | ±0.5mm (State not to pressure control-bar, Measurement position: Mounting surface) | 
| General specifications | CPA-TE-9100 Series | 
| Temperature range | -10 to +50 degrees C (Operating), -15 to +60 degrees C (Storage) | 
| Relative humidity | 80%RH (No condensation) | 




